소방자재 유통전문업체 (주)대일소방입니다.
최고의 품질로써 고객에 보답하고자
항상 최선을 다하겠습니다.
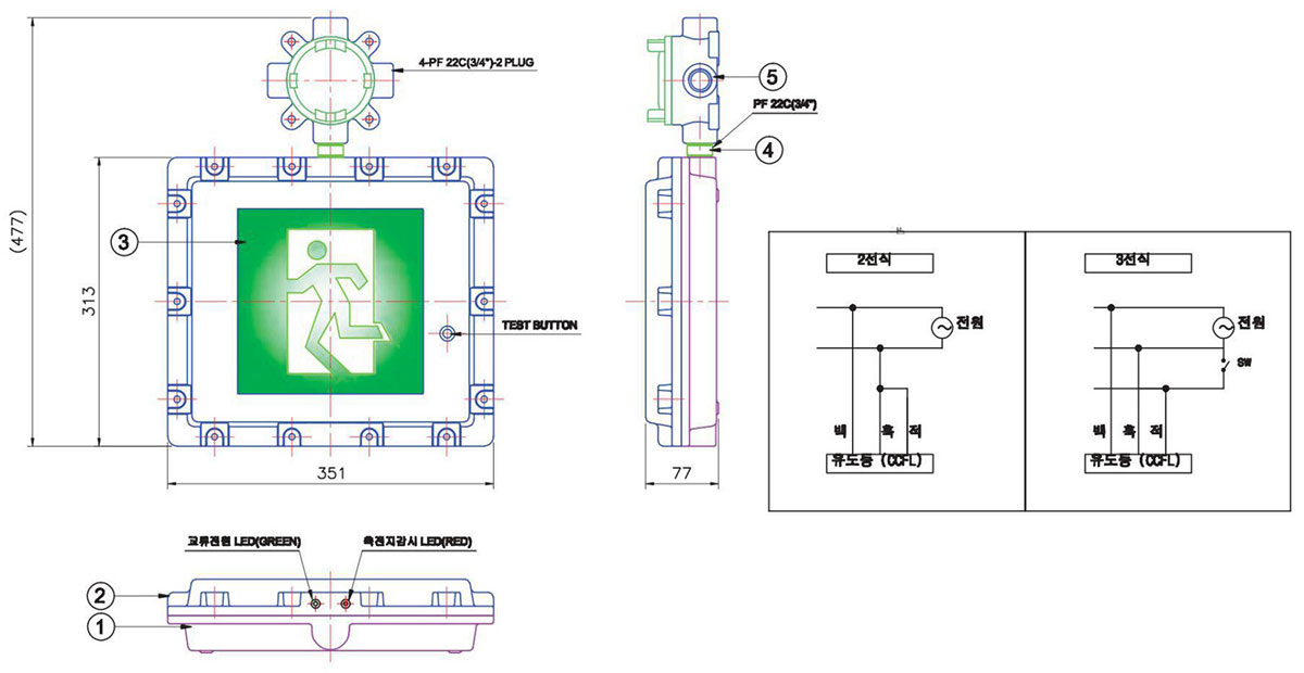
점등방식 : LED식
재질
- 몸체 : Cast Aluminium Alloy
- 커버 : Cast Aluminium Alloy
Hub Size : PF 3/4" (22C)
| 형식승인번호 | 유 09-44 |
|---|---|
| 유효점등시간 | 60분용 |
| 형식 | AC 220V, DC 3.6V, 단면형, 돌출형, LED식, 방폭형, 유효점등시간 60분, 피난구, 중형 |
| 예비전원 | DC 3.6V, 600mAh, Ni-Cd |
| 입력전압 | AC 220V |
| 소비전력 | 4.0W |
| 용량등급 | AC 220V, Ex d II B+H2 T6 |
| 형식모델 | FUFL - LED - M |
| 인증번호 | 12-GA2BO-0646 |
| 제품중량 | 8.6kg |
제품문의는 T. 051-868-7700 으로 연락주시면 친절한 상담을 받으실 수 있습니다.
항상 최고의 제품, 최상의 서비스로 보답하는 (주)대일소방이 되겠습니다.